當前位置:首頁 » 產品中心 » 離心機JXJ17562D2H-B風輪
產品詳情
聯系我們
基本參數
離心機JXJ17562D2H-B風輪市場上常見的風扇,本公司生產的采用環保、防火、純銅線,進口矽鋼片生產。離心機JXJ17562D2H-B風輪,采用進口ISC滾珠,,轉速可以高達4000RPM ,風量達500立方/時,常用于凈化器上,帶FG RD PWM等功能,平衡穩定,是公司成熟之產品。詳細請咨詢!

-離心機JXJ17562D2H-B風輪產品數據
| 電源類別 | DC |
|---|---|
| 尺寸 | 175 ×68mm |
| L寸 | 68 mm |
| 工作溫度 | -10 ~ 70 ℃ |
| 壽命 | 30,000 /60.000Hours 常溫 |
| 質量 | 720g |
| 軸承 | SLEEVE/BALL ( 可以根據客戶要求定制 ) |
| 制造公司名稱 | 深圳市吉翔佳電機有限公司 |
| 額定電壓 | 電壓電流轉速可以根據客戶要求定制 |
|---|---|
| 工作電流 | |
| 額定輸入 |
| 定額回轉速度 | |
|---|---|
| 最大風量(m3/min) | |
| 最大風量(CFM) | |
| 最大靜壓(Pa) | |
| 最大靜壓(mmH2O) | |
| 音壓(dB[A]) |
-離心機JXJ17562D2H-B風輪特性圖

(注)此處數據為額定電壓下的代表特性。
聲級吸收是從距離外側面1m處測定數值。
電源PWM不在保證范圍內。
電源的電壓脈動控制在額定電壓±5%以下。
上述以外的額定電壓,請分別咨詢。
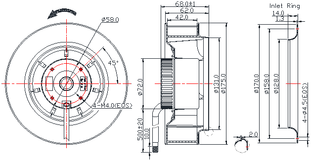
-離心機JXJ17562D2H-B風輪設計圖

-離心機JXJ17562D2H-B風輪標簽說明和產品認證










